cs防爆.png cs防爆-ph.png

米兰·(milan)中国CS620-Ex防爆系列协作机器人

多重防爆,IP68防护,模块化设计,高安全性

CS620-Ex
  • 亮点
  • 参数
  • 图纸
  • 相关资源
  • 相关产品

CS620-Ex

  • b3icon1-594.svg
    1800mm

    工作半径

  • b3icon2-752.svg
    20kg

    负载

  • b3icon3.svg
    ±0.05mm

    重复定位精度

  • b3icon4.svg
    60Kg

    自重

产品参数

  • 技术参数
  • 关节参数
  • 物理参数及认证
  • 配件型号
    • 名称参数
      自由度6
      负载20kg
      工作半径1800mm
      重复定位精度±0.05mm
      典型功耗695W
      安装方式任意角度

    • 关节运动范围关节最大速度
      基座±360°125°/s
      肩部±360°125°/s
      肘部±360°150°/s
      腕部1±360°210°/s
      腕部2±360°210°/s
      腕部3±360°210°/s
      最大工具速度3.9m/s3.9m/s
    • 名称参数
      自重60kg
      底座直径Φ240mm
      IP防护等级IP68
      工作环境温度-10℃ ~ 50℃
      工作环境湿度90%相对湿度(非冷凝)
      材料铝合金、钢、塑料、橡胶
      标准线缆长度5.5m
      防爆标志Ex db eb ib mb pxb IIC T4 Gb, Ex ib mb pxb tb IIIC T130℃ Db
    • 名称参数
      控制柜ERB1C4K0X
      示教器ERP400
      全能示教器(选配)ERP400S
CS620-Ex.png

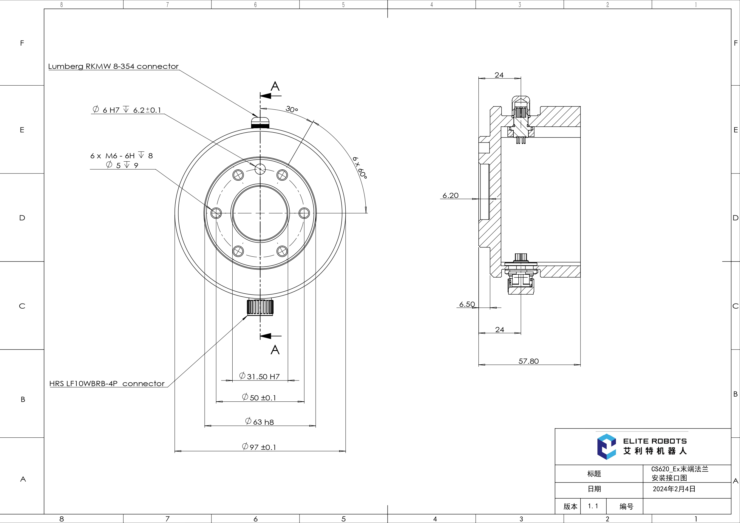
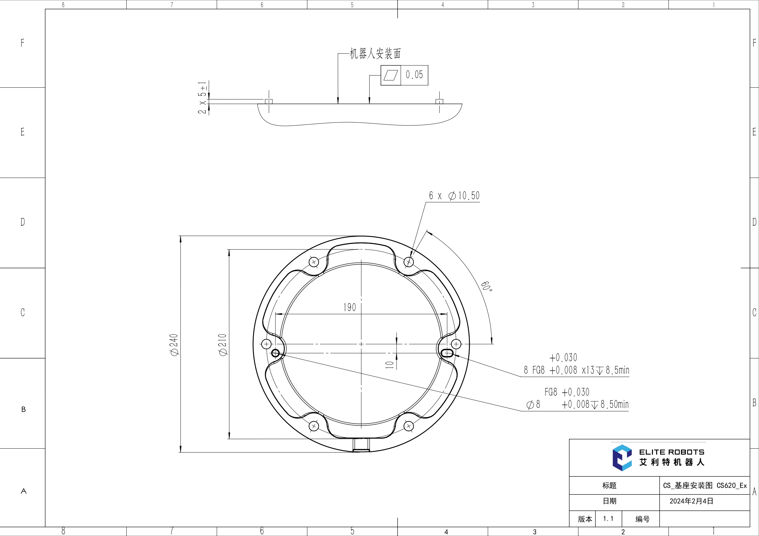
产品图纸

  • 外形尺寸图
  • 工作范围图
  • 基座俯视图
  • 末端法兰图
download-669.svg comicon14.svg

电话咨询

download-397.svg comicon15.svg

免费试用

Vector.svg Frame.svg

微信小程序

img1.jpg

微信小程序

准备好突破增长瓶颈,开启智能制造了吗?
了解我们的机器人如何帮助您的业务增长
欢迎下载米兰·(milan)中国机器人资料

我已阅读并同意米兰·(milan)中国《隐私政策》《法律声明》

我已知晓并同意米兰·(milan)中国通过电子邮件发送相关资料

提交